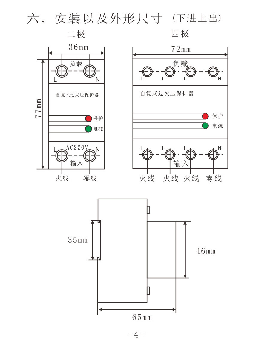
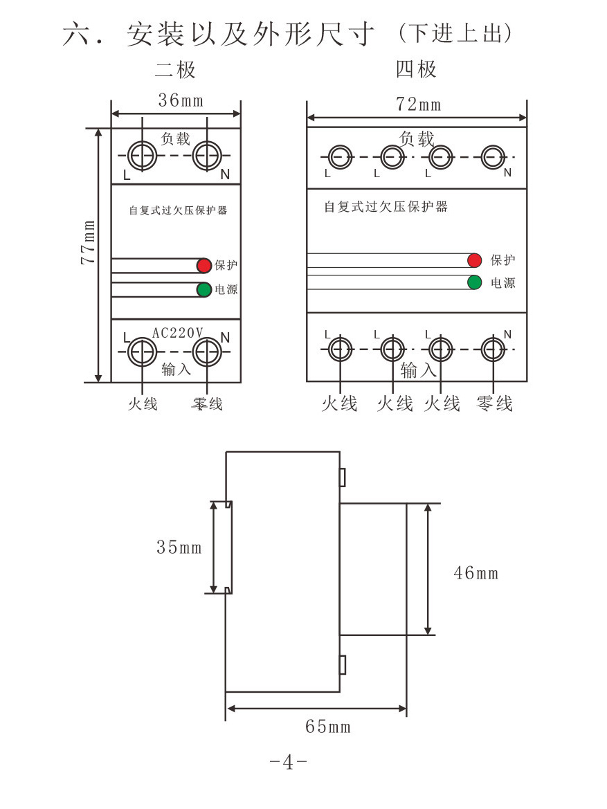
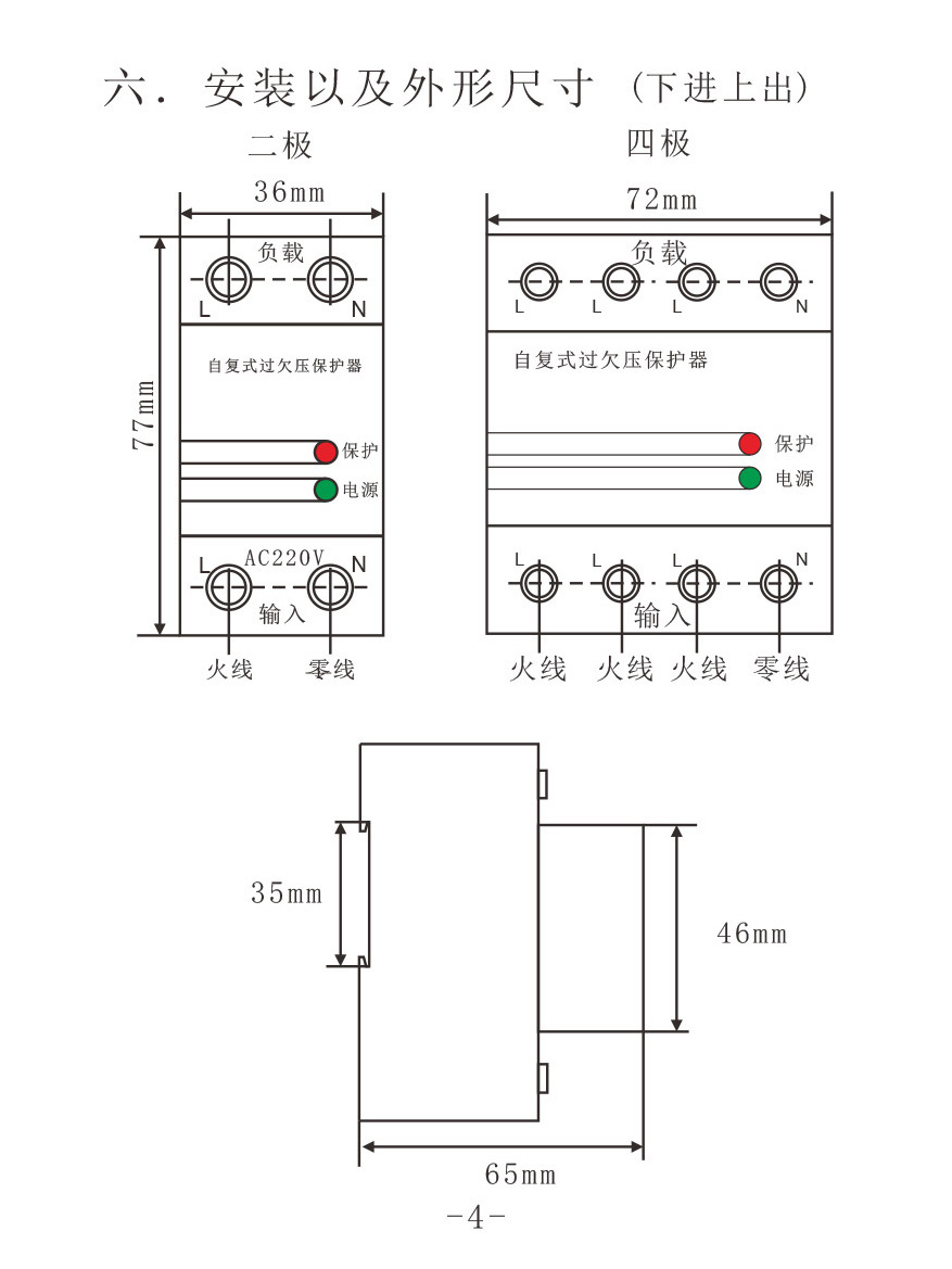
SVNB7 自复式过欠压延时保护器